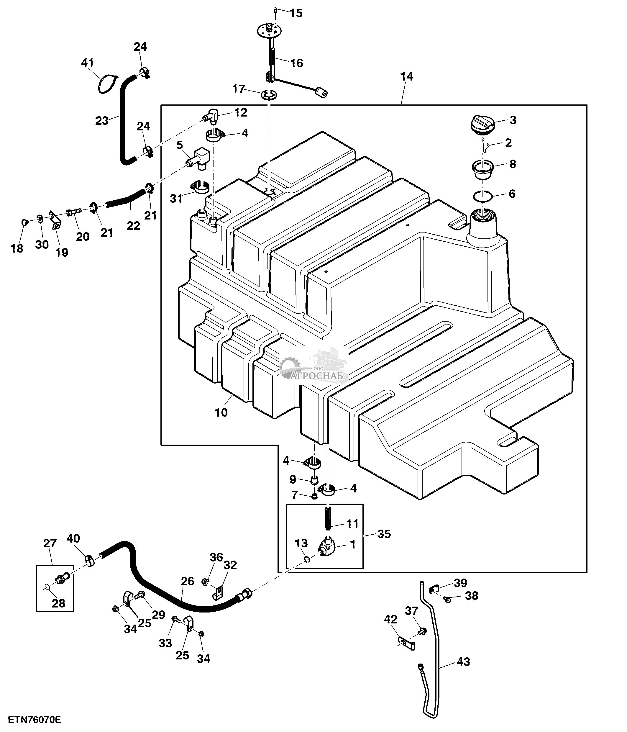
| key | PART NO. | PART NAME | QTY | SERIAL NO. | REMARKS | |
|---|---|---|---|---|---|---|
| 1 | 38H1519 | Коленчатый патрубок | 1 | |||
| 2 | AH159448 | Звено цепи | 1 | |||
| 3 | AL113086 | Крышка заливной горловины | 1 | |||
| 4 | AR21837 | Шланговый зажим | 3 | |||
| 5 | R117310 | Коленчатый патрубок | 1 | |||
| 6 | L112337 | Прокладка | 1 | USE WITH AN303021 | ||
| MN10350 | Прокладка | 1 | USE WITH AKK16136 | |||
| 7 | L2646N | Трубная заглушка | 1 | |||
| 8 | L80418 | Фитинг переходника | 1 | USE WITH AN303021 | ||
| MN10290 | Фитинг переходника | 1 | USE WITH AKK16136 | |||
| key | PART NO. | PART NAME | QTY | SERIAL NO. | REMARKS | |
| 9 | N30405 | Фитинг переходника | 1 | |||
| 10 | ...... | Бак | 1 | |||
| 11 | R134770 | Сетчатый фильтр | 1 | Fuel Inlet | ||
| 12 | R199196 | Коленчатый патрубок | 1 | |||
| 13 | T77857 | Уплотнительное кольцо | 1 | |||
| 14 | AKK16136 | Топливный бак | 1 | SUB FOR AN303021 | ||
| 15 | 19M10321 | Винт с головкой | 5 | M5 X 12 | ||
| 16 | AN205287 | Топливный датчик | 1 | |||
| 17 | T211051 | Прокладка | 1 | |||
| 18 | RE34041 | Сапун | 1 | |||
| key | PART NO. | PART NAME | QTY | SERIAL NO. | REMARKS | |
| 19 | N305564 | Уголок | 1 | |||
| 20 | RE47539 | Обратный клапан | 1 | |||
| 21 | R117721 | Скоба | 2 | |||
| 22 | ...... | Шланг | 1 | CTL 37”, MF TY24400 | ||
| 23 | ...... | Шланг | 1 | CTL 106", MF TY22553 | ||
| 24 | R184863 | Шланговый зажим | 2 | |||
| 25 | AH78237 | Скоба | 5 | |||
| 26 | AN403255 | Гидрошланг | 1 | SUB FOR AN206904; Fuel Supply | ||
| 27 | RE211525 | Фитинг шланга | 1 | |||
| 28 | 51M7040 | Уплотнительное кольцо | 1 | 9.300 X 2.200 mm | ||
| key | PART NO. | PART NAME | QTY | SERIAL NO. | REMARKS | |
| 29 | 19M9839 | Винт | 1 | M8 X 35 | ||
| 30 | 24M7242 | Шайба | 1 | 21.400 X 42 X 5 mm | ||
| 31 | AR21839 | Скоба | 1 | |||
| 32 | T28949 | Скоба | 1 | |||
| 33 | 19M9837 | Винт | 3 | M8 X 25 | ||
| 34 | 14M7649 | Фланцевая гайка | 5 | M8 | ||
| 35 | AN304150 | Топливный фильтр | 1 | Glued Assembly | ||
| 36 | 14M7724 | Стопорная гайка | 1 | M12 | ||
| 37 | 19M10223 | Винт | 1 | M10 X 16 | ||
| 38 | 19M9405 | Винт | 1 | M8 X 16 | ||
| key | PART NO. | PART NAME | QTY | SERIAL NO. | REMARKS | |
| 39 | AH76882 | Зажимная скоба | 1 | |||
| 40 | AN205158 | Шланговый зажим | 1 | |||
| 41 | H77698 | Обвязной хомут | 1 | |||
| 42 | R132927 | Скоба | 1 | |||
| 43 | RE226640 | Топливопровод | 1 |
| key | PART NO. | PART NAME | QTY | SERIAL NO. | REMARKS | |
|---|---|---|---|---|---|---|
| 1 | 19M7785 | Винт | 25 | M10 X 25 | ||
| 2 | N311890 | Кронштейн | 1 | |||
| 3 | 37M7476 | Винт | 4 | |||
| 4 | 24H1970 | Шайба | 4 | 13/32" X 1-1/16" X 0.120" | ||
| 5 | AN305621 | Опора | 1 | |||
| 6 | 19M7789 | Винт | 4 | M12 X 30 | ||
| 7 | N313477 | Желоб | 1 | |||
| 8 | E63527 | Гайка | 4 | |||
| 9 | E63526 | Гайка | 3 |
| key | PART NO. | PART NAME | QTY | SERIAL NO. | REMARKS | ||
|---|---|---|---|---|---|---|---|
| 1 | 14M7273 | Гайка | 1 | M8 | |||
| 2 | 24M7055 | Шайба | 1 | 8.400 X 16 X 1.600 mm | |||
| 3 | 19M9986 | Винт | 1 | M10 X 35 | |||
| 4 | 19M9877 | Винт | 4 | M10 X 90 | |||
| 5 | 19M9836 | Винт | 2 | M8 X 20 | |||
| 6 | AKK18560 | Кабель аккумулятора | 1 | (A) | |||
| AN209945 | Кабель аккумулятора | 1 | (B) | ||||
| 7 | 19M10222 | Винт | 3 | M8 X 100 | |||
| 8 | 19M10262 | Винт | 1 | M8 X 120 | |||
| 9 | 19M10312 | Винт с головкой | 1 | M10 X 85 | |||
| key | PART NO. | PART NAME | QTY | SERIAL NO. | REMARKS | ||
| 10 | 19M10334 | Винт | 2 | M10 X 75 | |||
| 11 | 28H3423 | Втулка | 1 | 0.364" X 0.540" X 7/8" | |||
| 12 | 34M7189 | Пружинный шплинт | 4 | 11 X 8 mm | |||
| 13 | M3649T | Пружинное кольцо | 1 | ||||
| 14 | R116466 | Заглушка | 1 | ||||
| 15 | R518210 | Распорная втулка | 1 | ||||
| 16 | R226346 | Кронштейн | 1 | ||||
| 17 | R242392 | Щиток от пыли | 1 | ||||
| 18 | R244287 | Ось | 1 | ||||
| 19 | R244291 | Кронштейн | 1 | ||||
| key | PART NO. | PART NAME | QTY | SERIAL NO. | REMARKS | ||
| 20 | R246756 | Ограждение | 1 | ||||
| 21 | R259720 | Адаптер | 1 | ||||
| 22 | RE210793 | Генератор переменн. тока | 1 | - | 055768 | ||
| RE555751 | Генератор переменн. тока | 1 | 055769 | - | |||
| 23 | RE285712 | Гайка | 1 | ||||
| 24 | RE232483 | Шкив | 1 | ||||
| 25 | RE239458 | Шариковый подшипник | 1 | ||||
| 26 | RE245935 | Вентилятор | 1 | ||||
| 27 | AH169875 | Компрессор | 1 | SUB FOR RE46609 | |||
| 28 | RE508764 | Шариковый подшипник | 1 | ||||
| key | PART NO. | PART NAME | QTY | SERIAL NO. | REMARKS | ||
| 29 | T15509 | Пружинное кольцо | 1 | ||||
| 30 | R265241 | Клиновой ремень | 1 | ||||
| 31 | RE582501 | Натяжное устр. для ремня | 1 | SUB FOR RE232242 | |||
| 32 | R264324 | Шкив | 1 | ||||
| 33 | 19M7866 | Винт | 6 | M8 X 20 | |||
| 34 | ...... | Шланг | 1 | CTL AR, MF TY22450 | |||
| 35 | 14M7265 | Стопорная гайка | 1 | M5 | |||
| 36 | N191985 | Зажимная скоба | 3 | ||||
| 37 | R529748 | Шкив | 1 | ||||
| 38 | RE553702 | Регулятор | 1 | ||||
| key | PART NO. | PART NAME | QTY | SERIAL NO. | REMARKS | ||
| 39 | T209627 | Скоба | 4 | USE WITH AKK18560 | |||
| 40 | R73291 | Скоба | 1 | USE WITH AKK18560 | |||
| 41 | 19M9837 | Винт | 1 | M8 X 25 | |||
| 42 | 14M7649 | Фланцевая гайка | 2 | M8 | |||
| 43 | 19M10365 | Винт | 1 | M8 X 20 |
| key | PART NO. | PART NAME | QTY | SERIAL NO. | REMARKS | |
|---|---|---|---|---|---|---|
| 1 | 19M10400 | Винт с головкой | 1 | M8 X 90 | ||
| 2 | R239378 | Блокирующий зажим | 1 | |||
| 3 | R187365 | Гайка | 1 | |||
| 4 | 24M7616 | Шайба | 1 | 9 X 16 X 1.600 mm | ||
| 5 | AN303204 | Маслопровод | 1 | SUB FOR RE259048 | ||
| 6 | AN303205 | Маслопровод | 1 | SUB FOR RE259050 | ||
| 7 | 19M7798 | Винт | 2 | M8 X 40 | ||
| 8 | R219562 | Гайка | 1 | |||
| 9 | R250764 | Кронштейн | 1 | |||
| 10 | H115379 | Скоба | 2 | |||
| key | PART NO. | PART NAME | QTY | SERIAL NO. | REMARKS | |
| 11 | H112567 | Пластина | 1 | |||
| 12 | 19M9841 | Винт | 1 | M8 X 50 | ||
| 13 | RE230603 | Гидрошланг | 2 | LGTH = 922.1 mm | ||
| 14 | 14M7649 | Фланцевая гайка | 2 | M8 |
| key | PART NO. | PART NAME | QTY | SERIAL NO. | REMARKS | |
|---|---|---|---|---|---|---|
| 1 | 24M7520 | Шайба | 9 | 8.400 X 24 X 2 mm | ||
| 2 | 19M10328 | Винт с головкой | 6 | M8 X 30 | ||
| 3 | RE237111 | Кожух | 1 | |||
| 4 | 19M7865 | Винт | 2 | M8 X 16 | ||
| 5 | R209454 | Опора | 2 | |||
| 6 | 19M9848 | Винт | 2 | M10 X 55 | ||
| 7 | 24H1974 | Шайба | 2 | 13/32" X 7/8" X 1/4" | ||
| 8 | 24M7523 | Шайба | 4 | 10.500 X 30 X 2.500 mm | ||
| 9 | 19M7785 | Винт | 2 | M10 X 25 | ||
| 10 | R183211 | Кронштейн | 1 | |||
| key | PART NO. | PART NAME | QTY | SERIAL NO. | REMARKS | |
| 11 | 14M7723 | Стопорная гайка | 2 | M10 | ||
| 12 | RE226499 | Кожух | 1 | |||
| 13 | R208029 | Крышка | 1 | |||
| 14 | 19M9836 | Винт | 7 | M8 X 20 | ||
| 15 | M84971 | Гайка | 3 | |||
| 16 | R263588 | Кожух | 1 | |||
| 17 | RE260068 | Ограждение | 1 | RH | ||
| 18 | RE260067 | Ограждение | 1 | LH | ||
| 19 | R254016 | Сальник | 1 | |||
| 20 | R226619 | Изолятор | 2 | |||
| key | PART NO. | PART NAME | QTY | SERIAL NO. | REMARKS | |
| 21 | 14M7649 | Фланцевая гайка | 10 | M8 | ||
| 22 | R264980 | Винт | 4 | |||
| 23 | 19M9840 | Винт | 5 | M8 X 40 |
| key | PART NO. | PART NAME | QTY | SERIAL NO. | REMARKS | |
|---|---|---|---|---|---|---|
| 1 | RE226367 | Послеохладитель | 1 | |||
| 2 | RE56098 | Скоба | 6 | |||
| 3 | R259248 | Шланг | 2 | Charged Air | ||
| 4 | RE250502 | Трубка | 1 | Charged Air Supply, Cold | ||
| 5 | RE257590 | Трубка | 1 | (A) Charge Air Return (Hot) | ||
| RE250501 | Трубка | 1 | (B) Charge Air Return (Hot) | |||
| 6 | R250577 | Кронштейн | 1 | |||
| 7 | AH170895 | Скоба | 2 | |||
| 8 | 19M9836 | Винт | 2 | M8 X 20 | ||
| 9 | 37M7459 | Винт | 2 | M6 X 20 | ||
| key | PART NO. | PART NAME | QTY | SERIAL NO. | REMARKS | |
| 10 | R259319 | Шланг | 1 | CAC at Engine | ||
| 11 | R240444 | Шланг | 1 | Hot Charged Air |
| key | PART NO. | PART NAME | QTY | SERIAL NO. | REMARKS | |
|---|---|---|---|---|---|---|
| 1 | R226331 | Крепление со штифтом | 5 | |||
| 2 | R235093 | Рукоятка | 1 | |||
| 3 | R235094 | Болт | 2 | |||
| 4 | R235095 | Болт | 2 | |||
| 5 | R235096 | Установочный штифт | 1 | |||
| 6 | R235098 | Заклепка | 2 | |||
| 7 | AT44188 | Заклепка | 4 | |||
| 8 | AT13740 | Сливной клапан | 1 | |||
| 9 | RE226355 | Желоб | 1 | RH | ||
| RE226354 | Желоб | 1 | LH | |||
| key | PART NO. | PART NAME | QTY | SERIAL NO. | REMARKS | |
| 10 | RE226357 | Желоб | 1 | RH | ||
| RE226361 | Желоб | 1 | LH | |||
| 11 | R230791 | Резиновая прокладка | 2 | |||
| 12 | R245829 | Кронштейн | 1 | |||
| 13 | RE226363 | Желоб | 1 | RH | ||
| RE226362 | Желоб | 1 | LH | |||
| 14 | RE226365 | Охладитель топлива | 1 | |||
| 15 | RE226366 | Радиатор | 1 | |||
| 16 | AN304256 | Охладитель воздуха | 1 | |||
| 17 | RE566555 | Маслоохладитель | 1 | SUB FOR RE226493 | ||
| key | PART NO. | PART NAME | QTY | SERIAL NO. | REMARKS | |
| 18 | AT44188 | Заклепка | 4 | |||
| 19 | RE235089 | Кронштейн | 1 | RH | ||
| RE235088 | Кронштейн | 1 | LH | |||
| 20 | RE250367 | Стержень | 1 | |||
| 21 | R209721 | Резиновая прокладка | 2 | |||
| 22 | RE252364 | Фиксатор | 2 | |||
| 23 | RE258916 | Сальник | 1 | |||
| 24 | R122267 | Скоба | 2 | |||
| 25 | AT139776 | Изолятор | 2 | |||
| 26 | 24M7180 | Шайба | 2 | 13 X 37 X 3 mm | ||
| key | PART NO. | PART NAME | QTY | SERIAL NO. | REMARKS | |
| 27 | 14M7646 | Гайка | 2 | M12 | ||
| 28 | R226682 | Сальник | 1 | |||
| 29 | RE252363 | Сердечник | 1 | |||
| 30 | R130951 | Фитинг | 1 | |||
| 31 | R258918 | Сальник | 1 | |||
| 32 | R250832 | Винт | 2 | |||
| 33 | 14M7298 | Фланцевая гайка | 2 | M8 | ||
| 34 | H169568 | Винт | 2 | |||
| 35 | R252365 | Штифт | 2 | |||
| 36 | H86981 | Заклепка | 2 | |||
| key | PART NO. | PART NAME | QTY | SERIAL NO. | REMARKS | |
| 37 | 19M7865 | Винт | 2 | M8 X 16 | ||
| 38 | 21M7462 | Винт | 4 | M8 X 18 | ||
| 39 | N305300 | Шайба | 1 | |||
| .. | A15147 | Пружинный стопорный штифт | 2 |
| key | PART NO. | PART NAME | QTY | SERIAL NO. | REMARKS | |
|---|---|---|---|---|---|---|
| 1 | 19M10328 | Винт с головкой | 6 | M8 X 30 | ||
| 2 | 19M9836 | Винт | 2 | M8 X 20 | ||
| 3 | 24M7520 | Шайба | 6 | 8.400 X 24 X 2 mm | ||
| 4 | 24M7605 | Шайба | 2 | 13 X 37 X 3 mm | ||
| 5 | AH170895 | Скоба | 3 | |||
| 6 | AT139776 | Изолятор | 2 | |||
| 7 | H77698 | Обвязной хомут | 13 | |||
| 8 | R196306 | Шланг | 1 | LGTH = 90 mm, Radiator | ||
| 9 | R226342 | Шланг | 1 | LGTH = 1045 mm, Deaeration | ||
| 10 | R226682 | Сальник | 1 | |||
| key | PART NO. | PART NAME | QTY | SERIAL NO. | REMARKS | |
| 11 | R240444 | Шланг | 1 | LGTH = 86.3 mm, Hot Charge Air | ||
| 12 | R248693 | Трубка | 1 | Upper | ||
| 13 | R248694 | Трубка | 1 | Lower | ||
| 14 | R248704 | Шланг | 2 | |||
| 15 | R259319 | Шланг | 1 | LGTH = 101.6 mm, CAC at Engine | ||
| 16 | R250832 | Винт | 2 | |||
| 17 | RE250502 | Трубка | 1 | Cold Charge Air Supply | ||
| 18 | RE56098 | Скоба | 13 | |||
| 19 | R254016 | Сальник | 1 | |||
| 20 | R56101 | Зажимная скоба | 2 | |||
| key | PART NO. | PART NAME | QTY | SERIAL NO. | REMARKS | |
| 21 | R259248 | Шланг | 2 | LGTH = 116.1 mm, Charge Air at Cooler | ||
| 22 | RE258916 | Сальник | 1 | |||
| 23 | R226483 | Шланг радиатора | 1 | LGTH = 100.9 mm | ||
| 24 | AKK19137 | Трубка | 1 | Hot Charge Air Return | ||
| 25 | AKK21216 | Модуль | 1 | |||
| 26 | H169568 | Винт | 2 | |||
| 27 | RE226362 | Желоб | 1 | LH | ||
| 28 | RE226363 | Желоб | 1 | RH | ||
| 29 | RE226365 | Охладитель топлива | 1 | |||
| 30 | RE226366 | Радиатор | 1 | |||
| key | PART NO. | PART NAME | QTY | SERIAL NO. | REMARKS | |
| 31 | RE226367 | Послеохладитель | 1 | |||
| 32 | RE566555 | Маслоохладитель | 1 | |||
| 33 | RE252363 | Сердечник | 1 | |||
| 34 | R226331 | Крепление со штифтом | 4 | |||
| 35 | R235093 | Рукоятка | 1 | |||
| 36 | R235094 | Болт | 4 | |||
| 37 | R235095 | Болт | 2 | |||
| 38 | R235096 | Установочный штифт | 2 | |||
| 39 | R235098 | Заклепка | 2 | |||
| 40 | 14M7298 | Фланцевая гайка | 2 | M8 | ||
| key | PART NO. | PART NAME | QTY | SERIAL NO. | REMARKS | |
| 41 | AKK21771 | Кронштейн | 1 | RH | ||
| 42 | AKK21769 | Желоб | 1 | LH | ||
| 43 | AKK21768 | Желоб | 1 | RH | ||
| 44 | AKK21772 | Желоб | 1 | LH | ||
| 45 | AKK21773 | Желоб | 1 | RH | ||
| 46 | R122267 | Скоба | 6 | |||
| 47 | 19M7865 | Винт | 2 | M8 X 16 | ||
| 48 | AKK21770 | Кронштейн | 1 | LH | ||
| 49 | KK35835 | Стержень | 1 | |||
| 50 | 14M7646 | Гайка | 2 | M12 | ||
| key | PART NO. | PART NAME | QTY | SERIAL NO. | REMARKS | |
| 51 | R558861 | Бак | 1 | |||
| 52 | 24M7550 | Шайба | 2 | 6.600 X 22 X 2 mm | ||
| 53 | AN205178 | Шланговый зажим | 1 | |||
| 54 | AT322214 | Крышка заливной горловины | 1 | |||
| 55 | RE201362 | Бак | 1 | |||
| 56 | R253764 | Винт | 3 | |||
| 57 | R305836 | Шланг | 1 | LGTH = 315 mm, Thermostat Deaeration | ||
| 58 | RE252000 | Фитинг | 1 |
| key | PART NO. | PART NAME | QTY | SERIAL NO. | REMARKS | |
|---|---|---|---|---|---|---|
| 1 | AKK24846 | Ограждение | 1 | RH | ||
| 2 | 14M7649 | Фланцевая гайка | 5 | M8 | ||
| 3 | 14M7723 | Стопорная гайка | 2 | M10 | ||
| 4 | 19M9840 | Винт | 5 | M8 X 40 | ||
| 5 | 19M9848 | Винт | 2 | M10 X 55 | ||
| 6 | 24H1974 | Шайба | 2 | 13/32" X 7/8" X 1/4" | ||
| 7 | 24M7523 | Шайба | 4 | 10.500 X 30 X 2.500 mm | ||
| 8 | AKK24847 | Ограждение | 1 | LH | ||
| 9 | 24M7520 | Шайба | 3 | 8.400 X 24 X 2 mm | ||
| 10 | 19M9836 | Винт | 6 | M8 X 20 | ||
| key | PART NO. | PART NAME | QTY | SERIAL NO. | REMARKS | |
| 11 | R226619 | Изолятор | 2 | |||
| 12 | R263588 | Кожух | 1 | |||
| 13 | RE237111 | Кожух | 1 | Upper | ||
| 14 | R250577 | Кронштейн | 1 | |||
| 15 | R264980 | Винт | 4 | |||
| 16 | RE226499 | Кожух | 1 | Lower | ||
| 17 | 19M7866 | Винт | 1 | M8 X 20 | ||
| 18 | M84971 | Гайка | 1 | |||
| 19 | R208029 | Крышка | 1 | |||
| 20 | 14M7233 | Сварочная гайка | 1 | M8 |
| key | PART NO. | PART NAME | QTY | SERIAL NO. | REMARKS | |
|---|---|---|---|---|---|---|
| 1 | RE196946 | Фильтр предв. очистки | 1 | |||
| 2 | R226517 | Шланг | 1 | |||
| 3 | TY22486 | Шланговый зажим | 2 | |||
| 4 | GX24489 | Винт | 2 |
| key | PART NO. | PART NAME | QTY | SERIAL NO. | REMARKS | ||
|---|---|---|---|---|---|---|---|
| 1 | AN207608 | Глушитель | 1 | ||||
| 2 | AN206879 | Выхлопная труба | 1 | ||||
| 3 | 19M9984 | Винт | 5 | M12 X 35 | |||
| 4 | R268905 | Винт | AR | ||||
| 5 | 14M7724 | Стопорная гайка | 5 | M12 | |||
| 6 | RE206289 | Выхлопная труба | 1 | - | 055010 | ||
| AN401282 | Выхлопная труба | 1 | 055011 | - | |||
| RE231873 | Выхлопная труба | 1 | Tier 3 Engine | ||||
| 7 | RE166242 | Скоба | 1 | ||||
| 8 | RE260948 | Щиток | 1 | Non-Certified Emission Engine | |||
| key | PART NO. | PART NAME | QTY | SERIAL NO. | REMARKS | ||
| RE233975 | Щиток | 1 | Tier 3 Engine | ||||
| 9 | R267349 | Шайба | AR | ||||
| 10 | N306664 | Пластина | 1 |
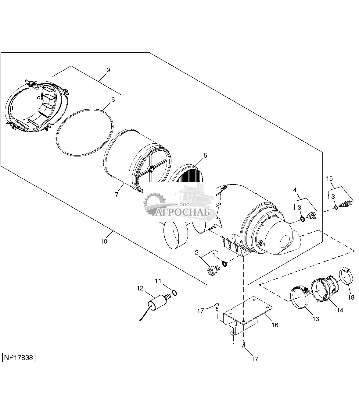
| key | PART NO. | PART NAME | QTY | SERIAL NO. | REMARKS | |
|---|---|---|---|---|---|---|
| 1 | 51M7040 | Уплотнительное кольцо | 1 | 9.300 X 2.200 mm | ||
| 2 | RE239083 | Фитинг переходника | 1 | |||
| 3 | 51M7041 | Уплотнительное кольцо | 2 | 11.300 X 2.200 mm | ||
| 4 | RE46684 | Заглушка фитинга | 1 | |||
| 5 | R207138 | Бандаж | 1 | |||
| 6 | RE181915 | Воздушный фильтр | 1 | (B) | ||
| 7 | RE196945 | Воздушный фильтр | 1 | (A) | ||
| 8 | R250723 | Прокладка | 1 | |||
| 9 | RE183175 | Крышка | 1 | |||
| 10 | RE245265 | Воздушный фильтр | 1 | |||
| key | PART NO. | PART NAME | QTY | SERIAL NO. | REMARKS | |
| 11 | R77673 | Уплотнительное кольцо | 1 | |||
| 12 | RE12176 | Датч. зас. возд. фильтра | 1 | |||
| 13 | RE52703 | Шланговый зажим | 1 | |||
| 14 | RE250492 | Шланг | 1 | (C) | ||
| 15 | RE525016 | Термопара | 1 | |||
| 16 | R226514 | Опора | 1 | |||
| 17 | 19M10223 | Винт | 6 | M10 X 16 | ||
| 18 | RE52702 | Скоба | 1 |
| key | PART NO. | PART NAME | QTY | SERIAL NO. | REMARKS | |
|---|---|---|---|---|---|---|
| 1 | R270446 | Крышка | 1 | |||
| 2 | R270447 | Крышка | 1 | |||
| 3 | 19M9873 | Винт | 10 | M12 X 25 | ||
| 4 | AN207952 | Щиток | 1 | |||
| 5 | 19M9405 | Винт | 6 | M8 X 16 | ||
| 6 | N306662 | Щиток | 1 | |||
| 7 | N306663 | Щиток | 1 | |||
| 8 | 14M7723 | Стопорная гайка | 6 | M10 | ||
| 9 | 19M9845 | Винт | 9 | M10 X 25 | ||
| 10 | ...... | Дверца | 1 | |||
| key | PART NO. | PART NAME | QTY | SERIAL NO. | REMARKS | |
| 11 | N310719 | Гайка | 2 | |||
| 12 | 14M7707 | Стопорная гайка | 2 | M8 | ||
| 13 | 24M7520 | Шайба | 2 | 8.400 X 24 X 2 mm | ||
| 14 | 19M9836 | Винт | 3 | M8 X 20 | ||
| 15 | 14M7724 | Стопорная гайка | 6 | M12 | ||
| 16 | N312149 | Пластина | 1 | |||
| 17 | N312148 | Щиток вала привода | 1 | |||
| 18 | 14M7722 | Стопорная гайка | 2 | M8 | ||
| 19 | N405335 | Щиток вала привода | 1 | |||
| 20 | N406853 | Щиток вала привода | 1 | |||
| key | PART NO. | PART NAME | QTY | SERIAL NO. | REMARKS | |
| 21 | N405732 | Щиток вала привода | 1 | |||
| 22 | N316703 | Гайка | 1 | |||
| 23 | 19M9837 | Винт | 6 | M8 X 25 | ||
| 24 | 14M7649 | Фланцевая гайка | 6 | M8 |
| key | PART NO. | PART NAME | QTY | SERIAL NO. | REMARKS | |
|---|---|---|---|---|---|---|
| 1 | R56101 | Зажимная скоба | 6 | |||
| 2 | R248396 | Шланг | 1 | |||
| 3 | RE227937 | Обратный клапан | 1 | |||
| 4 | R226342 | Шланг | 1 | |||
| 5 | R253764 | Винт | 3 | |||
| 6 | AT322214 | Крышка заливной горловины | 1 | |||
| 7 | ...... | Шланг | 1 | (A) CTL 1433 mm, MF TY22559 | ||
| 8 | TY22462 | Скоба | 2 | (A) | ||
| 9 | ...... | Труба | 1 | (A) | ||
| 10 | R213663 | Скоба | 1 | |||
| key | PART NO. | PART NAME | QTY | SERIAL NO. | REMARKS | |
| 11 | ...... | Шланг | 1 | (A) MF TY22559 | ||
| 12 | R117721 | Скоба | 2 | |||
| 13 | RE252000 | Фитинг | 1 | |||
| 14 | R305836 | Шланг | 1 | |||
| 15 | AH170895 | Скоба | 1 | |||
| 16 | RE323153 | Бак | 1 | |||
| 17 | R257569 | Шланг | 1 | |||
| 18 | RE251443 | Линия | 1 | |||
| 19 | R132900 | Фитинг переходника | 1 | |||
| T80906 | Фитинг переходника | 1 | ||||
| key | PART NO. | PART NAME | QTY | SERIAL NO. | REMARKS | |
| 20 | RE202113 | Фитинг | 1 | |||
| 21 | RE251817 | Кронштейн | 1 | |||
| 22 | R46414 | Скоба | 1 | |||
| 23 | 19M9405 | Винт | 4 | M8 X 16 | ||
| 24 | 14M7163 | Гайка | 1 | M8 | ||
| 25 | RE63194 | Крышка заливной горловины | 1 | (A) | ||
| 26 | ...... | Винт | 2 | |||
| 27 | 24M7550 | Шайба | 2 | 6.600 X 22 X 2 mm | ||
| 28 | R130951 | Фитинг | 1 | |||
| 29 | RE226366 | Радиатор | 1 | |||
| key | PART NO. | PART NAME | QTY | SERIAL NO. | REMARKS | |
| 30 | R248694 | Трубка | 1 | |||
| 31 | R196306 | Коленчатый патрубок | 1 | |||
| 32 | R248704 | Шланг | 2 | |||
| 33 | R248693 | Трубка | 1 | |||
| 34 | R226483 | Шланг радиатора | 1 | |||
| 35 | RE56098 | Скоба | 7 | |||
| 36 | R249145 | Скоба | 2 | (A) | ||
| 37 | T77932 | Уплотнительное кольцо | 1 | |||
| 38 | RE201362 | Бак | 1 | Includes Parts Marked (A) |
| key | PART NO. | PART NAME | QTY | SERIAL NO. | REMARKS | |
|---|---|---|---|---|---|---|
| 1 | AN306810 | Кронштейн | 1 | |||
| 2 | RE531703 | Топливный фильтр | 2 | |||
| 3 | 19M10011 | Винт | 1 | M10 X 50 | ||
| 4 | 14M7593 | Стопорная гайка | 3 | M10 | ||
| 5 | 19M9370 | Винт | 2 | M10 X 30 | ||
| 6 | RE522144 | Пробка сливного отверстия | 4 | |||
| 7 | 38H5002 | Фитинг переходника | 4 | |||
| 8 | T77613 | Уплотнительное кольцо | 4 | |||
| 9 | 51M7041 | Уплотнительное кольцо | 4 | 11.300 X 2.200 mm | ||
| 10 | AN373701 | Гидрошланг | 1 | |||
| key | PART NO. | PART NAME | QTY | SERIAL NO. | REMARKS | |
| 11 | AN373700 | Гидрошланг | 1 | |||
| 12 | 38H5023 | Коленчатый патрубок | 1 | |||
| 13 | T77857 | Уплотнительное кольцо | 4 | |||
| 14 | 38H5009 | Фитинг переходника | 1 | |||
| 15 | 38H1095 | Коленчатый патрубок | 1 | |||
| 16 | N320573 | Опора | 1 | |||
| 17 | AN400886 | Шланг | 1 | |||
| 18 | 38H1147 | Заглушка фитинга | 1 | |||
| 19 | 38H1416 | Фитинг | 1 | |||
| 20 | 51M7095 | Уплотнительное кольцо | 5 | 11.300 X 2.200 mm | ||
| key | PART NO. | PART NAME | QTY | SERIAL NO. | REMARKS | |
| 21 | R519483 | Упаковка | 2 | |||
| 22 | RE522686 | Сливной клапан | 2 | |||
| 23 | RE522685 | Датчик | 2 | |||
| 24 | AN373689 | Сетчатый фильтр | 2 | |||
| 25 | 51M7042 | Уплотнительное кольцо | 4 | 13.300 X 2.200 mm | ||
| 26 | RE52242 | Пробка сливного отверстия | 4 |
| key | PART NO. | PART NAME | QTY | SERIAL NO. | REMARKS | |
|---|---|---|---|---|---|---|
| 1 | 19M10317 | Винт с головкой | 2 | M12 X 90 | ||
| 2 | 24M7605 | Шайба | 4 | 13 X 37 X 3 mm | ||
| 3 | R234523 | Крепежные детали | 1 | LH | ||
| 4 | R234524 | Крепежные детали | 1 | RH | ||
| 5 | 24M7053 | Шайба | 4 | 17 X 30 X 3 mm | ||
| 6 | 19M7720 | Винт с головкой | 4 | M16 X 80 | ||
| 7 | RE60720 | Изолятор | 2 | |||
| 8 | 19H2001 | Винт с головкой | 1 | 3/4" X 5-1/2" | ||
| 9 | T26929 | Втулка | 2 | |||
| 10 | R200418 | Опора | 1 | |||
| key | PART NO. | PART NAME | QTY | SERIAL NO. | REMARKS | |
| 11 | 19M7819 | Винт | 4 | M12 X 90 | ||
| 12 | AN400953 | Изолятор | 1 | |||
| 13 | 40M7043 | Пружинное кольцо | 1 | |||
| 14 | 24H1971 | Шайба | 2 | 17/32" X 1-3/4" X 0.120" | ||
| 15 | 24H1968 | Шайба | 2 | 17/32" X 1-1/16" X 0.090" | ||
| 16 | E63527 | Гайка | 2 |